【可変連射(作成が簡単重視)】
最も簡単な連射装置の作り方を探して見つけたのが
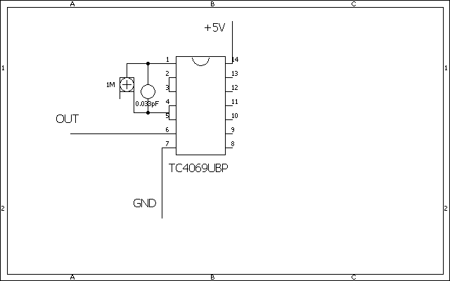
ぴこぴこ様の、その他で紹介されていたIC 4069を使った回路
必要材料
IC 4069
可変抵抗 1M
マイラーコンデンサ 0.033μF

OUTを連射したいボタンのGNDに使うことで連射できます
可変抵抗で連射速度が変更可能
小さいユニバーサル基板を使っても余裕すぎる程、コンパクトに出来ます
半分に割れる、もっと小さいのを使うと良いのですが、手持ちが無かったのでこうなりました

左の青い四角は可変抵抗です。
間違えて横向きのを買ってしまいました・・・