【可変連射(取り付けが簡単重視)】 ※2010年5月11日に差し替えました
連射について色々調べていたらタイマーICの555を使う事で
ボタンで使われてる電力だけで連射が出来るらしいとの事で実験
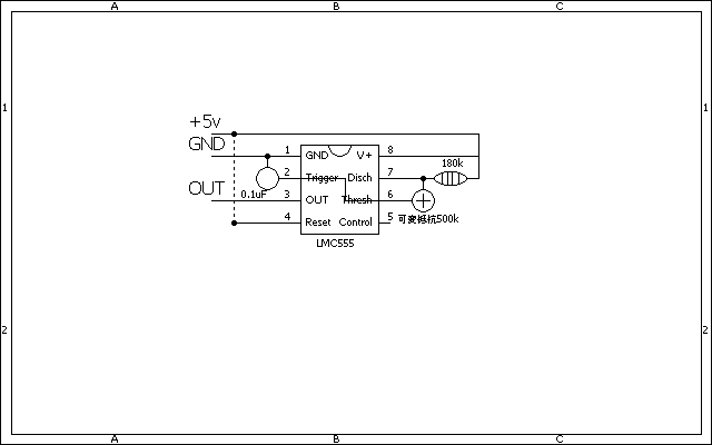
まず必要な部品の調達
IC LMC555(低消費電で動作)
積層セラミックコンデンサ 0.1μF
抵抗 180KΩ
可変抵抗 500kΩ
単純に5vを入力させて連射回路を作成

OUTを連射したいGNDにつけて連射が出来ればOK
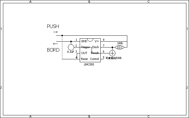
3と4を接続すれば、単体での連射回路となります

この回路は、ボタンへ供給される電源だけで使用出来る為
例外はあると思いますが、どんな基板・ゲーム機にも対応できると思われます。
※連射にならない場合は、GND側に取り付けると良いかもしれません
LEDは気まぐれで追加してみました